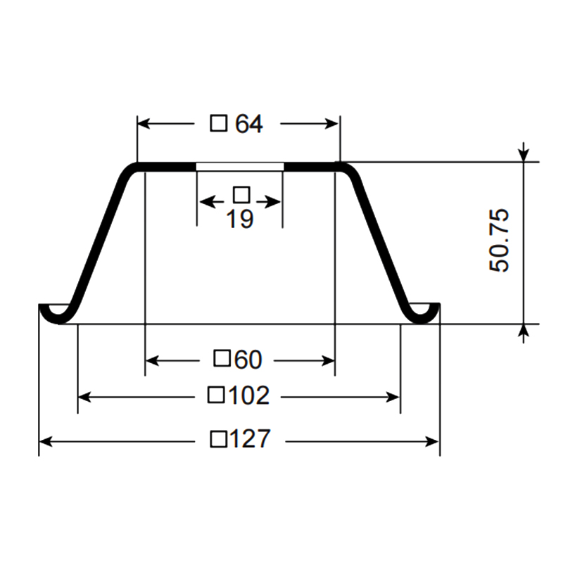
127mm Quadratum* 50.75mm Altitudo* 3.0 mm CRASSITUDO 64MM TOP

In moderna topiorum fabricatione, praecisione ac vetustate sunt geminae columnae prosperitatis. Utrum in autocinetis industria, aerospace, medicinis fabricandis fabricandis, vel electronicis consum...
READ MORENam RV fanatici, spatium coquinae limitatur, et materia et facilitate purgatio submersionis directe afficit usum usoris quotidiani. Nuper, ferro immaculato RV deprimi facti sunt potiores electio mu...
READ MORECrescente conscientia curarum curarum, domini pet magis magisque operam dant eorum cura viventium ambitus et sanitatis. Crateras bibentes, tamquam necessariam partem vitae cotidianae necessariam, n...
READ MOREUtrum particeps fieri velis vel indigere ductu professionali vel auxilio in solutionibus productorum lectionum et problematum, periti nostri semper parati sunt adiuvare intra 12 horas globally.
contactus UsHow does Square Custom Sheet Metal Heavy Duty Mild Steel Anti-Rust Pallet Pedes meet the challenges of the aerospace industry?
Ningbo Dasheng metalla producta Co.,ltd est industria princeps specialiter in technologias metallicas comprehensivos processus, inclusa metallica stampa, alta extractione et praecisione glutino, ut sartor factis servitiis in diversis campis industrialibus partes praebeat. Nostra nucleus aemulatio est in solutionibus elaborandis nativus ad praecise occurrere ad singulares necessitates ac specificationem nostrorum clientium. In rebus tractandis et horreis; Quadratus Custom Sheet Metal Gravis Duty Mild Steel Anti-rust Stillage Pedes Pallet Pedes praelatus fructus in multis industriis factus est propter facultatem bonam portantem, diuturnitatem et flexibilitatem.
Consuetudo ferri laminae grabati pedes utuntur gravi ferro miti sicut materia principali, et magna onera portare possunt per processuum fabricandi accuratos et rationabili fabricae rationes. Haec capacitas summi oneris afferentis eam late adhibet in tractandis ac reponendis variis gravibusque bonis.
Ad vetandum laminam ferream in ambitibus humidis et corrosivis rubiginem, consuetudo ferri bracteae grabati pedes rigorosas anti-rubiginis curationem subiverunt. Haec curationes movere ac spargere anti-rubiginem pingere, quae efficaciter ad vitam serviendi pedum grabati extendunt et gratuita sustentationem minuunt.
Maxima consuetudinis utilitas laminae grabati pedes eorum flexibilitas ferri est. Utrum magnitudo, figura vel lectio materialis sint, nativus fieri possunt secundum specificas clientium necessitates. Haec flexibilitas sinit grabatum pedes adaptare variis incomplexis pertractationibus ac missionibus repono.
Quadratus Custom Sheet Metal Gravis Duty Mild Steel Anti-rust Stillage Pedes Pollet Pedes Antitrust Tillage Pallet Pedes adhibentur in apothecae, sedis logisticis, lineae productionis et instrumentorum translationum variae species. Ut clavium componentes, ut cursares aut bona sustineant et defigant, stabilitatem ac salutem pertractandi curent. Eodem tempore, bonae onera portantes facultatem et vetustatem etiam magnam cognitionem a clientibus obtinuerunt.
In campo aerospace, requisita ad tractationem materiae duriores sunt. Praeter praecipuas facultates et firmitatem oneris afferentis, specialia requisita quae sunt leves, altae vires et obsequia cum industria signa consideranda sunt. Ad hunc finem, Quadratus Custom Sheet Metal Gravis Duty Mild Steel Anti-rust Stillage Pedes Pallet Pedes Antitrust Tillage Pallet Pedes etiam praebet debitae solutiones nativus.
Ut ad leves requisitiones agri aeroplani, Quadratus Custom Sheet Metal Gravis Pietas Mitis Steel Anti-rust Stillage Pedes Pollet Pedes Antitrust Tillage Pallet Pedes leves et altae materiae ut aluminium stannum, titanium stannum vel robur altitudinis composita materia. Hae materiae non solum proprietates mechanicas praestantes habent, sed etiam signanter pondus pedum grabati minuere possunt.
Propter necessitates speciales agri aeroplani, structuralis consilium Quadrati Consuetudinis Sheet Metal Gravis Duty Mild Steel Anti-rust Stillage Pedes Pallet Pedes Antitrust Tillage Pallet Pedes magis implicati et urbani erunt. Per layout optimizing structuralem, costas supplementi addens, consilioque concavo adhibito, pondus adhuc minui potest dum vires obtinent. Praeterea, ad accurationem et firmitatem invigilandum, consilium pedum grabati includere potest praecise conventus interfaces et cogitationes positio.
Campus aerospace strictas requisita habet in resistentia corrosionis et finium materiae superficiei. Ergo, Square Custom Sheet Metal Gravis Pietas Mitis Steel Anti-rust Stillage Pedes Pollet Pedes Antitrust Tillage Pallet Pedes speciales processus curatio superficiei subibit, ut anodizing, spargit corrosio-repugnantia pingere, etc.